Zur Zeit ausschließlich in Konfigurationen erhältlich. Für weitere Informationen nehmen Sie gern Kontakt zu uns auf!
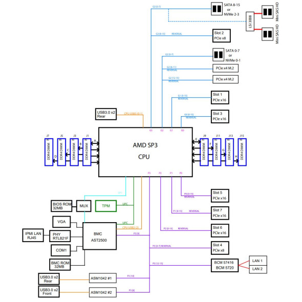
Supermicro Server Mainboard H12SSL-I(MBD-H12SSL-I-B)
- Single AMD EPYC™ 7002 Series Processor
- 2 TB Registered ECC DDR4 3200MHz SDRAM in 8 DIMMs
- Expansion slots:
5 PCI-E 4.0 ×16
2 PCI-E 4.0 ×8
M.2 Interface: 2 PCI-E 4.0 ×4
M.2 Form Factor: 2280, 22110
M.2 Key: M-key - 8 SATA3 or 2 NVMe via single SlimSAS x8
- 2 Gigabit Ethernet LAN Ports
- ASPEED AST2500 BMC graphics
- Up to 6 USB 3.0 ports(4 rear + 2 via header)
- 7 PWM 4-pin Fans with tachometer status monitoring
Downloads | |
|---|---|
| Produktdatenblatt (PDF - 7.72MB) | |
Allgemein | |
|---|---|
| Hersteller | Supermicro |
| Hersteller Artikelnummer | MBD-H12SSL-I-B |
| Hersteller Garantie (Monate) | 12 Mon. Hersteller Garantie |
| Verpackung | bulk |
Mainboard Eigenschaften | |
| Mainboard ist optimiert für | Workstation, Server |
| Mainboard Formfaktor | ATX |
| Mainboard Chipsatz | System on Chip |
| Netzwerk Controller | Broadcom BCM5720 (1 Gbit) |
| Grafik Unterstützung | über Erweiterungskarte, onboard Grafik |
| Sound | kein onboard Sound |
Prozessor | |
| CPU Support | AMD EPYC 7000 Series |
| CPU Sockel Typ | LGA 4094 (SP3) |
| CPU Sockel Anzahl | 1 |
| CPU Sockel ILM | Narrow ILM |
Arbeitsspeicher | |
| Memory Typ | DDR4 |
| Memory max. MHz | 3200 |
| Memory ECC Unterstützung | ECC registered, ECC LR-DIMM |
| Memory Slots | 8 |
| max. RAM Kapazität (GB) | 2048 |
Erweiterungskarten Steckplätze | |
| PCI-Express Slots | 5x PCIe 4.0 (x16), 2x PCIe 4.0 (x8) |
| Mini PCI-Express Slots | keine |
| PCI Slots | keine |
| M.2 Slots | 2x M.2 Key M Port |
| M.2 Format Support | 22x80, 22x110 |
Storage | |
| Controller | System on Chip |
| RAID Support | nein |
| NVMe Ports | keine |
| SAS Ports | keine |
| SATA Ports | 8x SATA3 - 6 Gb/s |
| Disk on Module (DOM) | 2x SATA3 - 6 Gb/s + Power |
Weitere Anschlüsse Intern | |
| USB Header intern | 1x USB 3.0 - 5 Gb/s Header |
| USB Typ A intern | nein |
| Serial Port Header intern | keine |
| TPM Header intern | 1x TPM 2.0 - 20-pin Header |
| Audio Anschlüsse intern | keine |
| Lüfter Anschlüsse | 7x 4-Pin |
Anschlüsse Extern | |
| PS/2 Port(s) | nein |
| USB Port(s) | 4x USB 3.0 - 5 Gb/s Typ A |
| Thunderbolt Port(s) | nein |
| eSATA | nein |
| Serial (COM Port) | 1x Serial Port |
| IPMI | 1x RJ45 IPMI dediziert |
| Netzwerk Port(s) | 2x RJ45 - 1 Gbit/s |
| Grafik Port(s) | 1x VGA |
| Audio Port(s) | keine |
| WLAN integriert | nein |
| Bluetooth integriert | nein |
Mainboard BIOS | |
| BIOS Typ | AMI 128Mb SPI Flash EEPROM |
| BIOS Features | Plug and Play (PnP), DMI 2.3, PCI 2.2, ACPI 5.1, USB Keyboard Support, SMBIOS 3.1.1 |
Management | |
| Software | Super Doctor 5, Watch Dog, NMI, SUM, IPMI 2.0, KVM with dedicated LAN |
| Power Management | ACPI Power Management, Power-on mode for AC power recovery |
Mainboard Betriebsumgebung | |
| Temperatur-Bereich von | 10°C |
| Temperatur-Bereich bis | 35°C |
Abmessungen | |
| Breite | 305 mm |
| Höhe | 0 mm |
| Tiefe | 244 mm |
Kontaktieren Sie uns gern jederzeit.














